|
LEGO SPEAKER 第34報 ≪第33報 第35報≫ |
LEGOスピーカーの製作 第34報
ダブルバスレフバーティカルツイン44号機
|
1. 新たな技術に挑戦! |
前回の43号機に使用したスピーカーユニットはStereo誌8月号に付属していたFOSTEXの2ウェイユニットであったが、このスピーカーユニット専用にFOSTEXがエンクロージャキットを発売した。エンクロージャキットP2080-Eはダブルバスレフ方式を採用している。ダブルバスレフ方式は低音域を充実させる方法として期待できるが、理論が完成しておらず、設計が大変困難であるため、興味はあったがこれまで遠慮してきた。しかし、考えて見れば、そんな方式だからこそLEGOスピーカーの柔軟性が活かせるのではないか? いくらでも造り直せるので失敗も怖くない。無駄にハコを造り足す事もない。難しい2つのバスレフダクトの調整も自由に簡単に行える。これこそ挑戦のやりがいのあるテーマではないか!・・・ということで本機はダブルバスレフ方式の研究を目的とする。
|
2. ダブルバスレフ方式の理論 |
ダブルバスレフ方式とは図1に示すようにエンクロージャ内部を2つにしきってメインキャビティとサブキャビティに分割する。それぞれにバスレフダクトを設けダクト1、ダクト2とする。この2つのバスレフダクトが協調して働き、低音域を効果的に放射する低音増強技術である。2つの内容積が必要であることから、それなりのサイズとなるのでこの内容積をすべて使った通常のバスレフ方式に対してどのようなメリットがあるのだろうか?・・・バスレフダクトの共振周波数は設計寸法の組み合わせで、いかようにも設定できる。だが、これを駆動するスピーカーユニットの低音再生限界周波数が決まっているので、現実には十分な駆動ができなければ意味がない。そこで、一般的にはスピーカーユニットの最低共振周波数fo付近にバスレフダクトの共振周波数を設定している。おそらく、ダブルバスレフ方式は、このバスレフダクトの設定周波数をより下げて設計できるのではないだろうか。つまり小型のウーハーユニットでより低い周波数帯域を再生できる技術ではないかと考えている。
先にも述べたがダブルバスレフ方式の理論は不十分で、設計公式や基準の寸法がない。長岡先生の書籍を調べて見た。先生の設計内容を簡単にまとめると・・・
<長岡式設計仕様>
・ fd1:メインキャビティとダクト1の共振
・ fd2:メイン+サブキャビティとダクト2の共振
fd1:スピーカーユニットのfoより高く設定
fd2:再生周波数の1.4倍程度
fd1はfd2の2倍程度
・ サブキャビティVc2の容積はメインキャビティVc1の1.5倍程度
・ ダクト1の面積Sd1は振動板面積の30%程度
ということである。(再生周波数とは希望する低音限界である)
参考として既製品であるFOSTEXのダブルバスレフ方式エンクロージャP2080-Eの仕様を示す。
<P2080-E 仕様>
・ 形式:ダブルバスレフ方式
・ クロスオーバー周波数:5.5kHz
・ 外形寸法:128(W)×328(H)×188(D)mm
・ 内容積:5.3L (メインキャビ 3.2L / サブキャビ2.1L
・ バスレフ周波数:68Hz ダクト径40φ
・ 質量:1.85kg
・ 標準価格:¥4,000
メインキャビ(Vc1)の方が大きい設計。価格が安価なのはメーカー量産品の最大のメリットである。
|
3. 44号機の構造設計 |
上記を参考に構造設計を行う。まず、使用するスピーカーユニットであるが、P2080-Eにならって、再度43号機と同じStereo誌8月号の付属品を用いる。2ウェイセットの4本が3,810円で入手できるという極めて安価であり、作りが良いので気に入ったのである。後に製作者の話を聞いたが、普通はこのような価格で発売できるような安価なものではないそうだ。ただ、43号機やP2080-Eと同様な構成では面白くないので、これを2セット使用してダブルウーハーとする。また、ウーハーのレイアウトは音像定位に優れるバーティカルツインタイプとする。2本のウーハーでトゥイーターをはさむことで、あたかも同軸スピーカーユニットのような一体感が生まれるのだ。以前から一度やってみたかったデザインなのである。このスピーカーユニット、ウーハー PW80、トゥイーター PT20 については前報に詳しいので参照いただきたい。
さて、2セット購入するとトゥイーターが1個あまるのだ。これをどうしようか?
市販のスピーカーシステムには音場型と称して背面にトゥイーターを配したシステムも多い。ウーハーの再生する中低音域に対してトゥイーターの高音域は指向特性が強いのでプレゼンスに差が出やすく、リスニングポジョンで音質が変化してしまう。また、特に問題なのはリスニングルームの音響反射特性のアンバランスから定位がくるってしまうことが多いことだ。このような問題に対応するために、背面トゥイーターの搭載で高音域の指向特性を改善する手法である。今回はこの手法も採用しよう。
44号機の構造図を図2に示す。ダブルバスレフ方式、ダブルウーハーのバーティカルツインレイアウト、リアトゥイーターによる音場向上・・・とよくばりなシステムである。
44号機の設計値は使用ウーハーユニットPW80の規格から以下のように検討した。
<PW80 規格>
・ 最低共振周波数(fo): 130Hz
・ 実効振動板半径:3.0cm
・ 振動板面積:28.3cm2(1本)×2
<設計値>
・ ダクト1の共振周波数(fd1):160Hz
・ ダクト2の共振周波数(fd2):80Hz
・ メインキャビティ容積(Vc1):1.4L
・ サブキャビティ容積(Vc2):1.8L
・ ダクト1面積(Sd1):15.4cm2
・ ダクト2面積(Sd2):10.2cm2
・ ダクト1長さ(Ld1):8cm
・ ダクト2長さ(Ld2):12cm
44号機の内部構造はエンクロージャを中央のインナーパネルで前後に分割して、上下にダクト構造を設けてダクト1、2とした。この2本のダクトは位置を離して設置しないと内部の空気が十分にバネとして作用しないので問題となる。下部のダクト2はスタンド状のデザインとしてみた。バーティカルツインレイアウトのバッフルパネルは43号機と同じようにレトロなエッジ付きデザインとしたので、この意匠を崩さないためである。スタンドデザインはスリムなトールモデルなので転倒防止の意味もある。
バッフルパネルのスピーカーユニット搭載方法は43号機で経験済みなので3箇所固定のトゥイーターでも問題はない。
リアパネルには先述の背面トゥイーターと接続用ターミナルを付ける。トゥイーターの取り付け位置は前面と背面でそろえて双指向特性を狙う。トゥイーターのリアパネル設置は31号機の改良編で紹介した逆タイルブロックを用いることになる。
2つのキャビティ容積の変更はできないが、2本のダクト長の組み合わせは容易に変更できるようにリアパネルの上下にメンテナンスリッドを設け、これを外すことでダクトにアクセスできるようにした。ダブルバスレフ方式ではこの2本のダクト長の組み合わせが重要であり、最適な調整のためにダクト長変更を繰り返すことになるだろう。図2からわかるようにLEGOブロック1個の厚さはおよそ1cmなのでインナーパネル後部でダクト1は-3cm~+2cm、ダクト2は-1cm~+4cmの調整が可能である。なお、図にあるようにダクト1の幅は64mmであるが、さらに16mm増やすことも構造的には可能だ。ダクト1の断面積が少ないと動作抵抗になるので必要ならば増加したい。
この設計値ではサブキャビティVc2の容積が若干少ないが、概ね良い値だと思う。
fo130Hzのスピーカーユニットで駆動するので、ダクト2の共振周波数fd2は80Hzに設定したのである。
2ウェイシステムなのでデバイディングネットワークが必要になる。これも43号機と同様にシンプルなLC1素子による6dB/octタイプとして、トゥイーターHPF用のコンデンザーはリアパネルに、体積のあるウーハーLPF用のコイルはインナーパネルに実装する。
市販品のP2080-Eと44号機は外形寸法がさほど変わらないのに5.3リットルに対して44号機の総内容積が3.2リットルと少ないのはLEGOブロックの厚さ(16mm)のためである。おそらくP2080-Eの板厚はこのサイズでは5mm程度であろう。この内容積の減少はLEGOスピーカーの最大の問題点なのかもしれない。
|
4. デバイディングネットワークの設計 |
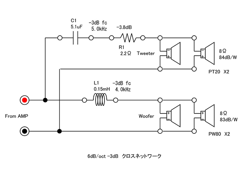
デバイディングネットワークは上述のように図3に示すシンプルな回路とする。 ウーハー、トゥイーターそれぞれが2ユニットあるので並列に接続して4Ωユニットとして設計した。クロスオーバー周波数は43号機のような冒険はしないで普通に4kHzとした。 コンデンサーは10μFのフィルムBENNIC CBE-10.0、コイルはPARCAUDIOのコアコイル0.15mH、L001-015である。
トゥイーターの能率が1dB大きい。実際は2本使用で能率は理論的に3dB向上するが、トゥイーターの1本が背面設置で能率が下がるので高音域のアッテネーターは不要と判断した。しかし、必要になるかもしれないのでアッテネーター挿入の配慮はしておく。
今回は構造が複雑でシンプルな回路とはいえ接続部品も多いので配線図も描いた。 図4が実体配線図である。インナーパネルの貫通接続にはM4ボルトを4本用いる。そのうち2本はコイル素子の固定も兼ねている。コンデンサーはリアパネルに実装するが、配線ポストとしてM4ボルトを用意した。1本余っているのはアッテネーターの抵抗器接続用の準備である。
5本のケーブルA~Eは配線長も検討した(ケーブルAは2分岐)。このように十分な検討を行い入念な設計をすることで製作ミスを防ぐことができる。トゥイーターの配線を間違えたら簡単に壊してしまうのだ。なお、リアパネルのトゥイーター固定が前面と上下逆になっているが、これは下部の配線スペースとスピーカーユニット接続端子との接触を避け、接続作業の余裕を得るためである。
|
5. 製作作業 |
44号機の全構成部品を写真2に示す。コンパクトなサイズなのに複雑な構造を有する本機は、まるで左右2台分のように見えるが1台でもこれだけの部品が必要である。
写真3にバッフルパネルを示す。レトロなエッジ付きデザイン。スピーカーユニットと干渉する表面タイルブロックの一部が加工されている。スタンド部分の前面にはカーブスロープブロックでデザインし、エンブレムはダークブルーにした。
ひときわ目立つフレームの部品を写真4に示す。これは前方のフレームAである。いつも述べるようにLEGOブロックは意外に高価である。フレームを作成する大量のLEGOブロックをできるだけ安価に入手できるように今回もセットパッケージを利用した。このため前機種と同様にカラフルなモザイク調となっている。今回の製作ではこのセットパッケージを8箱用意したが、これだけでも約2万円した。セットパッケージには小さな部品が多いので利用効率が低い。だが、それでもまだ安価な入手方法なのだ。この部品の内部がメインキャビティとなる。下部にはスタンド部分があるが、このスリットがダクト2である。スタンド部分は黒いブロックで構成してスタンドデザインを強調する。この黒いブロックやバッフルパネルなどのパネル用のプレートブロック、表面のタイルブロックは別途に高価なLEGOブロックを個別購入しなければならない。
写真5はフレームBである。同様にカラフルだが、インナーパネルを装着するための落とし込みがある。インナーパネルは外部からは見えないデザインなので本機がダブルバスレフの複雑な構造を持つことは外部からはわからない。この部品の内部がサブキャビティとなる。背面のタブはメンテナンスパネルの固定用である。
リアパネルを写真6に示す。逆タイルブロックによる背面トゥイーターの固定マドが特徴的なパネルだ。逆タイルブロックは@100円と高価なので必要最小限の貼り付け。2個のみ角落とし加工が施されている。スピーカーユニット固定用ネジの引っかかる部分3箇所には内部にタイルブロックを付けてある。接続端子部分の落としこみなどにも注目して欲しい。接続ターミナルとコンデンサーを固定するためのM4ネジ穴が4箇所開いている。
インナーパネルを写真7に示す。貫通接続用のネジ穴が4箇所に開いた板である。フレーム内部に落とし込まれるため一回り小さい。厚さは他のパネル部品と同様にプレートブロック3枚重ねの9.6mmである。
上部に装着されるメンテナンスリッドAを写真8に、下部のメンテナンスリッドBを写真9に示す。このパネルの工夫としてはタイルブロックを一部に用いて固定部分のポッチを制限することで付け外しを容易にしている。さらに角部分には隙間を設けて外し易くしている。メンテナンスリッドBはダクトから覗かれるのでタイルブロックが貼ってある。
上部のダクト1を構成するダクトパーツAを写真10に、ダクトパーツBを写真11に示す。ダクト1は幅が96mmでエンクロージャ内部幅よりも小さく、ダクトの上面は天板なのでこの部品はコの字型である。インナーパネル後方に装着する写真11のダクトパーツBは5段となっているが設計値では4段なので1段外して使用する。もちろんこの長さは試聴による調整で最終的に決定する。
写真12はダクト2用のダクトパーツCであるが、ダクト2の前方はフレームAと一体なのでこの部品は後方用で、設計値からまずは写真12の3段ではなく1段を装着する。
使用するスピーカーユニットは8個、トゥイーターのPT20が4個とウーハーPW80が4個である(写真13)。雑誌付録とは思えない高品位なFOSTEX製のスピーカーユニットである。
デバイディングネットワーク用のコンデンサーとコイル素子を写真14に示す。この部品は試聴調整により、最適値に交換できるように端子もネジ止めにしてある。
写真15のその他の部品は吸音材のウレタンシート、接続用ターミナル、フェルト製のインシュレーター、ネジ類である。本機は固定部品が多いのでネジも大量に使用する。
内部配線用のケーブルを写真16に示す。図4に示したケーブルA~Eの5種類で2本のウーハーに接続されるケーブルAは2分岐になっている。また、ケーブルEは単線である。それぞれに必要な端子が圧着&ハンダ付けしてある。
バッフルパネルからリアパネルまでを固定順に並べて見ると写真17のようになる。スタンド部分がバスレフダクトになっているのがデザインのポイントなのだ。
組み立てを行う。まずはバッフルパネルにウーハーユニットをM4ボルト4本で固定する(写真18)。次に2本目のウーハーも同様に取り付ける(写真19)。
固定は写真20に示すようにM4ワッシャでマド穴の角に引っ掛けて固定している。同じようにトゥイーターも3本のM4ボルトで固定する(写真21)。
このトゥイーターは接続端子が飛び出しているのでバッフルパネルの内側が広げてある。 バーティカルツインレイアウトが見えてきた。
リアパネルにターミナルと接続ポスト用のM4ボルトを取り付ける(写真22、23)。 このM4ボルトは電極なのでニッケルメッキ品を選んでいる。リアパネルにはシングルナットで固定したが、配線によりダブルナット相当の固定になる。
リアトゥイーターを3本のM4ボルトでリアパネルに固定する(写真24、25)。
リアパネルにコンデンサーを固定してリアトゥイーターとケーブルDで配線すればリアパネルの組み立て完了である(写真26、27)。
インナーパネルの組み立てを行う(写真28)。インナーパネルにはコイル素子と4本の貫通ボルトが固定されるが、この固定ボルトの裏面に内部ケーブルCとEをあらかじめ配線しておく必要がある(写真29)。さらに、コイル素子のリード線はコイル素子固定ボルトに接続する。
ダクトパーツAをインナーパネル前面上方部に付ける(写真30)。同様にダクトパーツBを背面に取り付けてインナーパネルの組み立て完了(写真31)。ダクトパーツBの初期長さはインナーパネル裏側に3段である。
バッフルパネルをフレームAに固定する。同時に3個のスピーカーユニットに配線ケーブル(A、B)を接続する(写真32)。
吸音材はメインキャビティのみにかるく挿入(写真33)。43号機と同一幅のコンパクトサイズなのでバッフルパネルの内側は3個のマグネットでいっぱいである。
インナーパネルをフレームBに取り付ける(写真34)。写真ではわかりにくいが、設計値であるダクト2が長さ12cmとなるようにダクトパーツCの1段がスタンド部分に取り付けてある(写真35)。
このようにフレームAとフレームBを別に組み立てておいて、後に組み合わせる手順であるが、組み立て順序は配線のしやすさと確実な固定のためのフレームの押し付け作業ができるように配慮している。
フレームAとフレームBを接合する(写真36)。先に配線図(図4)にしたがって内部配線を行っておく(写真37)。
フレームBは背面が平らなのでフレームAを上から十分な力で接合できる(写真38)。
リアパネルはトゥイーターを破損しないように注意して固定する(写真39)。
先に本体との配線を済ませておく。図4の配線図にあるようにウーハー用のプラスマイナス(ケーブルC)とマイナスを共通にしたトゥイーターのプラス単線(ケーブルE)の配線である(写真40)。
リアパネルはフレームBの背面のタブに写真41のように取り付けられる。写真を見るとメンテナンスリッドの開口から容易にバスレフダクトを調整できることがわかるだろう。
最後にメンテナンスリッドAとBを取り付けてインシュレーターシールを貼れば組み立て完了である(写真42)。
|
6.試聴と調整 |
写真43に示す、組み上がった44号機はカラフルな外観とバーティカルツインレイアウトが特徴的なスマートなモデルに仕上がった。写真では大きさがわかりにくいが、ダブルウーハーといっても8cmサイズなのでとてもコンパクトである。
このレトロな外観デザインからはわからないがダブルバスレフ方式とリアトゥイーターを搭載したハイテクモデルなのだ(写真44)。
それでは試聴を行おう。期待のダブルバスレフ方式の効果はどうだろうか?・・・
6-1 ダクト長の調整
お手本のFOSTEXのダブルバスレフキットはダクトの共振周波数を68Hzに設定している。製品仕様からは内部のダクト1の共振周波数は不明であるが、この数値は外部のダクト2のものであろう。foが130Hzの8cmウーハーに本当に良いのか? と信じられなかったので、とりあえず初期設計値のダクト2の長さは12cmで80Hzに設定してみた。
ところが・・・あまり効果を感じない。そこで、さっそくメンテナンスリッドを開いてダクト長を変更して組み合わせをいくつか試してみた。この結果、ダクト2は最長の16cmに伸ばし、共振周波数を70Hzに下げたところ効果がでてきた。スタンド部分のダクトからは低音の風が吹き出してくる。まだまだ伸ばして共振周波数を下げて見たいところだが、このエンクロージャサイズでは16cmが限界だろう。内容積を変えずにバスレフ方式の共振周波数をさらに下げるにはダクトを細くするしかないが、これは放射効率を低下させるのでやりたくない。あまり欲張らずにしよう。
内部のダクト1は長さ10cmとして初期の160Hzから150Hzに下げて見た。この組み合わせがベストであるかはさらに評価が必要であるが、ダブルバスレフ方式が効果的で優れた方式であることが理解できた。想像のとおりまるでウーハーユニットの再生限界周波数を下げたように機能していると感じる。 試聴後の調整値は図5に示した以下のようになった。
<最終調整値>
・ ダクト1の共振周波数(fd1):150Hz
・ ダクト2の共振周波数(fd2):70Hz
・ ダクト1長さ(Ld1):10cm
・ ダクト2長さ(Ld2):16cm
44号機はダブルウーハーなのだから既製品のP2080-Eと比較しても、もっとダクト2の共振周波数を下げても良さそうであるが、内寸的に限界である。だが、ダブルバスレフ方式の想像以上の効果に驚いている。
私の理解としては、ダブルバスレフ方式とは駆動スピーカーユニットの最低共振周波数よりも高い共振周波数の内部ダクトが盛大に共振し、その裾野にかかった、より低い共振周波数の外部ダクトが効率的に駆動されることで、スピーカーユニットが直接駆動する通常のバスレフ方式よりも低い共振放射を実現する方式だと考える。したがって、外部ダクトの共振周波数が高いと意味がないが、あまり低く設定するとスピーカーユニットからの直接放射音とのギャップが問題になるだろう。本機もこの程度の設定が無難であると思う。
・・・ただ、疑問点が1つ。バスレフ方式の位相反転が2回で外部ダクトからは低音が逆位相で放射されてしまうのではないか? 直接放射音との干渉が心配である。初期設計値での低音不足はこの性質かもしれない。ダブルバスレフ方式では外部ダクトの放射周波数を低めに設定する必要があるだろう。もっともそうでないと意味はないが。
6-2 デバイディングネットワーク調整
高音域は少しトゥイーターが主張しすぎだ。2個並列接続の1個を背面に設置したので、それだけで能率は2dB程度下がると考え、ウーハーとのつながりは問題ないと想像したが、スピーカーユニットの規格は理想的な大きさのエンクロージャで測定するものなので、実際に使用した場合のウーハーの能率は背圧の影響を受けて低下すると考えるべきであろう。
やはり8cmウーハーユニットでは低音域のレスポンスが高能率のトゥイーターと比較して低下するようだ。デバイディングネットワークを改め、図6のように-3.8dBのアッテネーター抵抗器をトゥイーターに挿入した。この2.2Ωのシリーズ接続のためにハイパスフィルタのコンデンサーも変更する必要がある。8cmウーハーは中音域のレスポンスも良いことから、あえてカットオフ周波数を高めの5kHzに設定し、5.1μFとした。
デバイディングネットワークを変更した44号機は想定どおりにトゥイーターのレベルが下がり落ち着いた音になった。聴く音楽で好みは変わると思うが、私はこのバランスの音が好きである。小口径ウーハーのスピーディーで迫力のある低音域と繊細で柔らかな高音域のバランスした素適なモデルに仕上がった。
リアトゥイーターの効果もあり、音場が大きく広がる。それでいてバーティカルツインの仮想点音源2ウェイは音像がシャープだ。優れた定位は特にボーカル曲に適していると感じる。
<44号機 基本仕様>
・ 形式:2ウェイバーティカルツインシステム(リアトゥイーター搭載)
・ 方式:ダブルバスレフ方式
・ 組み立て方法:ホリゾンタルタイプ(水平組み立て)
・ 使用ユニット:
ウーハー FOSTEX PW80 8cmペーパーコーン ×2
トゥイーター FOSTEX PT20 2cmソフトドーム ×2
・ 外形寸法:W128mm H336mm D202mm
・ 実効内容積:メインキャビ 1.4L / サブキャビ 1.8L
・ バスレフダクト長:ダクト1 10cm / ダクト2 16cm
・ バスレフ共振周波数:ダクト1 150Hz / ダクト2 70Hz
・ デバイディングネットワーク:6dB/oct ネットワーク
ウーハーカットオフ周波数:4.0kHz
トゥイーターカットオフ周波数:5.0kHz
トゥイーターアッテネーター:-3.8dB
・ システムインピーダンス:4Ω
|
7. まとめ |
44号機はトールスタイルのバーティカルツインデザイン、モザイク調フレームも美しいモデルに出来上がった。本機は前回の43号機に続くカラフルLEGOスピーカーシリーズ第2弾のスピーカーシステムである。
本機の製作でダブルバスレフ方式の有用性を確認することができた。また新たな技術を獲得したのである。
(2015.1.12)
カラフルLEGOスピーカーシリーズ























































